
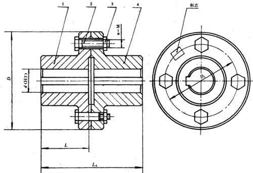
BL型棒銷聯軸器:棒銷聯軸器的適用范圍適用于聯接兩同軸線的傳動軸系,具有 的補償兩軸相對偏移和一般減震性能。工作環境溫度為-20o~+70oC.不適用于對減震效果要求很高和對噪音需要控制的部位。適用范圍適用于聯接兩同軸線的傳動軸系,具有 的補償兩軸相對偏移和一般減震性能。工作環境溫度為-20º~ 70ºC.不適用于對減震效果要求很高和對噪音需要控制的部位。
BL型棒銷聯軸器相關參數:規格BL1-11,公稱轉矩63-10000,許用轉速3800-750,軸孔直徑25-250,軸孔長度55-350,重量10-513,材質,鑄鋼,也可根據客戶要求定做。
